30年ぶりに復活した隊長の電子工作指令本部
×
[PR]上記の広告は3ヶ月以上新規記事投稿のないブログに表示されています。新しい記事を書く事で広告が消えます。
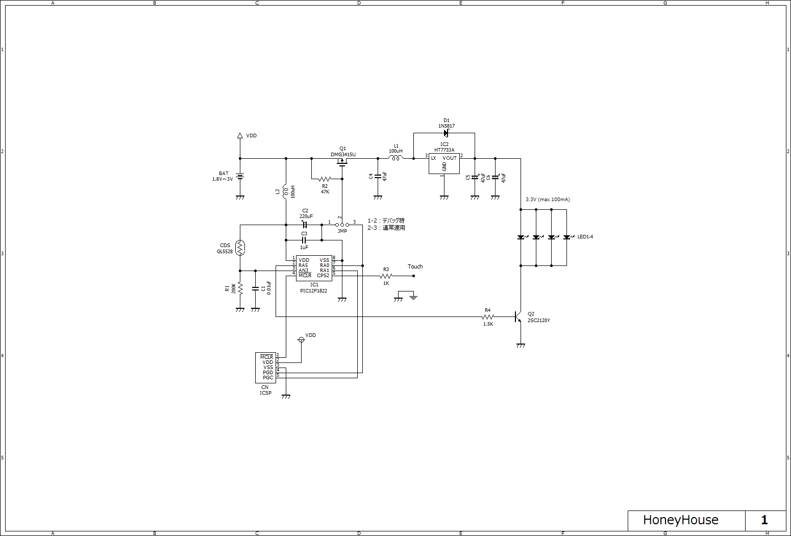
PIC には PIC12F1822 を使用しました。
出力は、3.3V max.100mA を想定していますので、LED 1個当たり20mAとしても、5個接続できます。最近では、高輝度の白色系LEDが容易に入手可能ですので、これで十分でしょう。
出力は、3.3V max.100mA を想定していますので、LED 1個当たり20mAとしても、5個接続できます。最近では、高輝度の白色系LEDが容易に入手可能ですので、これで十分でしょう。
・DC-DC回路
お気楽に使える? HT7733A を使用した昇圧回路です。
最大出力(200mA)を得るのは難しいという記事を時々目にしますが、実際やってみるとそうでもありませんでした。部品の選定を間違えなければ、期待通りの結果が得られます。
入力コイル(L1)は、47uHを使用する作例が多いようですが、HT7733A のアプリケーションノートによれば、低い値にすると効率は悪くなるが取り出せる電流が増加し、高い値にすると効率は良くなるが取り出せる電流が減る・・と記載されています。
本回路では、最大電流よりも効率を優先し100mHとしましたが、結果的には200mA(3.2V)の出力を得る事が出来ました。
使用したインダクタは、RTP8010-101M(マルツ)という小型のものです。
なるべくDC抵抗が低くて、閉磁路タイプが良いでしょう。
秋月でも売っている、緑色の抵抗みたいな形をした物は、あまり良くないようです。
なるべくDC抵抗が低くて、閉磁路タイプが良いでしょう。
秋月でも売っている、緑色の抵抗みたいな形をした物は、あまり良くないようです。
重要な出力コンデンサですが、本作ではチップタンタルを二つ使用しました。配線を短く出来る事と、二つ使用する事で100uFを一つ使うよりも高性能になります。
ただ、他の方の記事を見ていますと、例えば100uF電解コンデンサと10uFセラミックの併用でも、特に問題なさそうには思えます。
なお、大容量のセラミックを使用する場合は、バイアス電圧により容量が減ってしまう点に留意します。
後、入力コンデンサも重要です。性能の良い入力コンデンサは、効率を若干向上させます。省いたりせずに、セラミックを使用します。
・電源スイッチ
PICは、常時通電していますが、DC-DC(LEDの電源)は必要な時だけONにします。
Q1(DMG3415U)を使用してハイサイドスイッチを構成していますが、他のデバイスを使用する場合は注意が必要です。
負荷にもよりますが、電流は数百mAを想定しておくべきで、そうなると定番の 2SC1015 では役不足です。かといって、電源電圧が低いので、ダーリントン接続も使用出来ません。
駆動電流が不要な MOSFET を使うのが一番ですが、低い電圧でも駆動できるタイプでないと使えないので要注意です。
その点、DMG3415U(秋月)は、ON抵抗が 51mΩ と超低く、低電圧で動作するのでお勧めの高性能 MOSFET です。
ただ、その高性能がゆえに、別の弊害が出てきます。
黄色の線の立下りは、電源ON を示しています。
電源ラインのカップリングとして、220uFの電解コンデンサと10uFの積セラを入れているにも
かかわらず、上図のようなディップが発生します。
電池が残り少なくなっている状態ですと、PICがどういう動きをするか分かりせん。
BOR(ブラウンアウトリセット)を有効にしていると、確実にリセットが掛かってしまうでしょう。
BOR(ブラウンアウトリセット)を有効にしていると、確実にリセットが掛かってしまうでしょう。
これは、DC-DC回路の負荷容量性が高いために発生するのですが、入力コンデンサ(C4)の容量を減らしたとしてもさほど変わりません。
本作では、220uFを使いました。これで、かなりディップを抑制する事が出来ます。
・PWM駆動
Q2(2SC2120)にて、LEDを PWM 駆動します。2SC1815(Ic:150mA)だと微妙なラインですので、SC2120を使用しました。
R4(1.5K)は、100mA出力を想定した値なので、2倍の200mAで使用する場合は、1/2にする必要があります。
省電力のために、実際に使用する負荷に合わせて、無駄に大きいベース電流が流れないようにすると良いでしょう。
省電力のために、実際に使用する負荷に合わせて、無駄に大きいベース電流が流れないようにすると良いでしょう。
・PIC周辺
CDSをADCへ入力しています。
電源電圧をリファレンスとしているので、電池電圧の変動とは無関係となります。
タッチセンサは意外とデリケートです。センサの物理的容量により、感度や対ノイズ性が決まります。
アプリケーションノートでは、センサ自体はなるべく短い配線で、小さいセンサの方が良いと書かれています。また、入力に抵抗を挿入するとノイズ低減に効果があると記されていますので、R3(1K)を入れてあります。
アプリケーションノートでは、センサ自体はなるべく短い配線で、小さいセンサの方が良いと書かれています。また、入力に抵抗を挿入するとノイズ低減に効果があると記されていますので、R3(1K)を入れてあります。
個人的な実験では、GNDをケース等の筐体に接続しておくと感度UPする傾向があるように思いました。(回路図中に記載している FG はこれを意味しています)
但し、筐体の大きさや、場所?によってはノイズを拾いやすくなったりするようなので、実際の使用環境にて検証が必要です。
隊長
カテゴリー
PR
