30年ぶりに復活した隊長の電子工作指令本部
×
[PR]上記の広告は3ヶ月以上新規記事投稿のないブログに表示されています。新しい記事を書く事で広告が消えます。
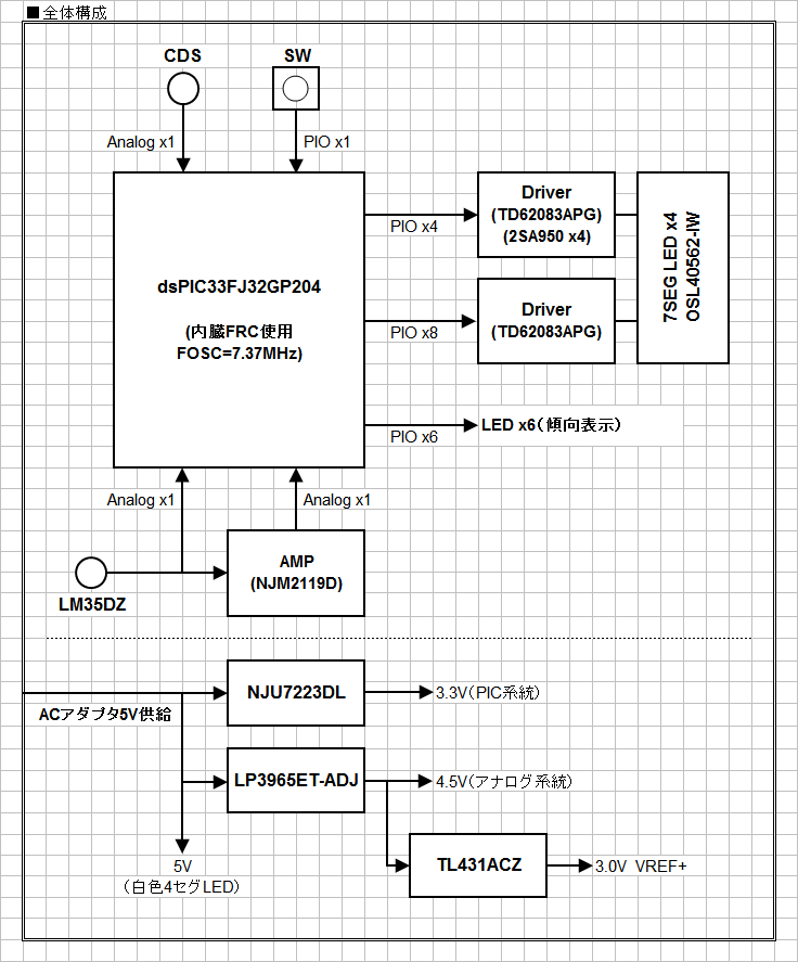
ブロック図とポート割り当て表
まず電源ですが、今作の条件として、隊長のエコ活動指令の元、手持ちの5Vの
小型ACアダプタの使用が義務付けられています。
その上、PICの動作電圧は 3.0~3.6V、温度センサーとアンプは、4V~ とばらばら
です。
幸い、要件を満たす超低ドロップタイプの可変レギュレーターが見つかったので、
5Vから4.5Vを得る事にしました。これを、温度センサーやアンプ等のアナログ周りに
供給します。PICへは別途、3.3Vレギュレーターを介して供給します。
電源を複数設けるのは手間でしたが、結果的に、アナログ計測回路とデジタル系を
分離する事が出来たので、精度向上につながると思います。
7セグLEDは、PICを使ってダイナミック駆動します。
白色なので、電圧降下は3.3V~4.0Vとあります。dsPICの出力では力不足になる
可能性があるので、ドライバを入れて5V電源で駆動します。しかし、この為に2つの
トランジスタアレイが必要になりました。赤色ならば要らないのですが。。
このLEDはかなりの高輝度らしいですし、5mAでも光ると書かれているので、3.3V
dsPIC直結でも光るような気もするのですが、ダイナミック表示なので、確実に
ドライブ出来るよう設計しておきます。
温度センサーからの出力は、そのままの出力と、増幅後の出力をADへ接続します。
これで増幅器のゲインも検出してみます。調整、デバッグなどに使えるかも知れません。
後は、光センサーからの出力をそのままADへ入力します。
隊長
カテゴリー
PR
