30年ぶりに復活した隊長の電子工作指令本部
×
[PR]上記の広告は3ヶ月以上新規記事投稿のないブログに表示されています。新しい記事を書く事で広告が消えます。
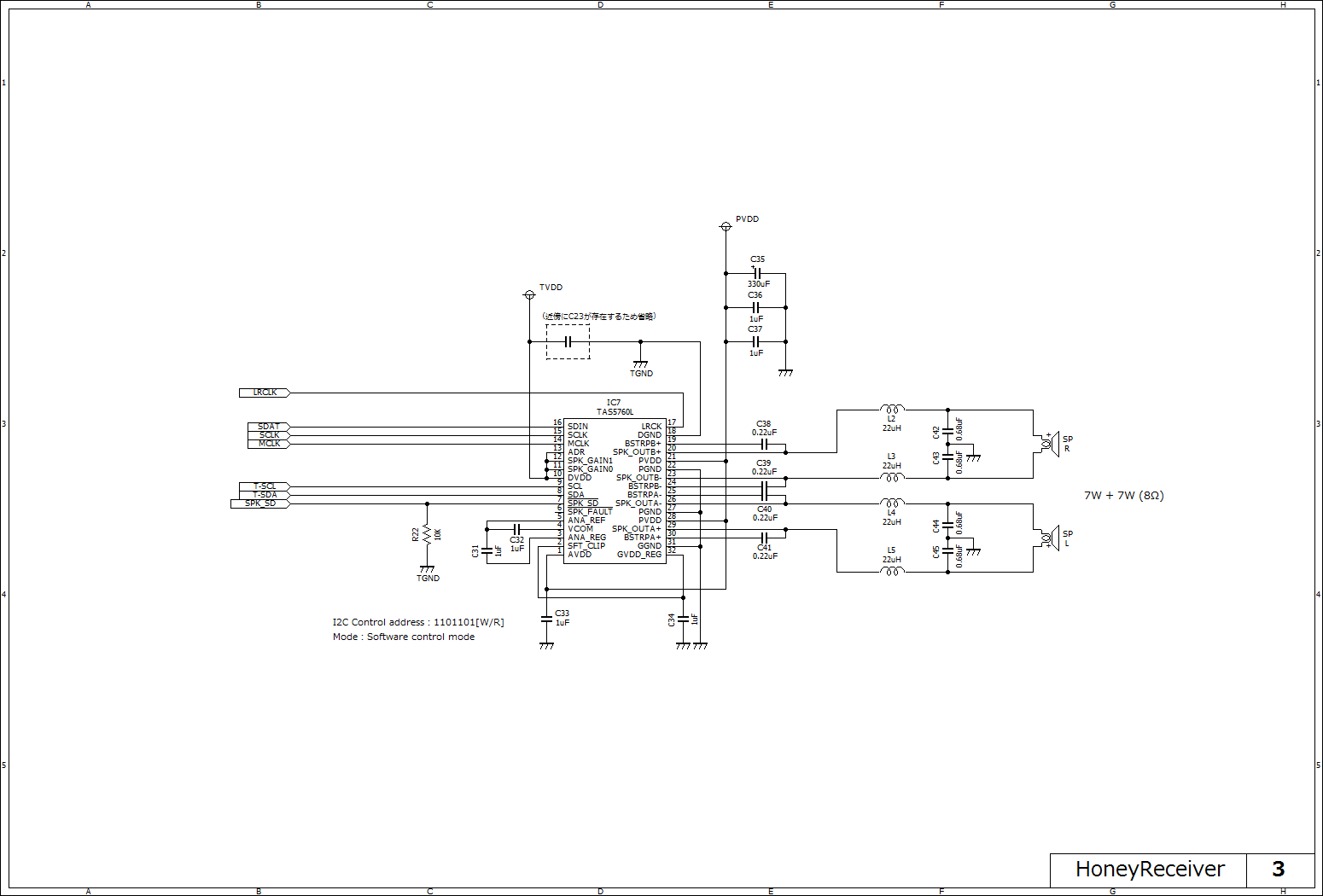
★アンプの出力と電源電圧
アナログアンプでは、一般に高出力である方が音質的に有利と言われます。
デバイスは高い電圧の方が良い特性を示す場合が多いため、より良い設計が出来ますし、電源はその容量が大きい分、電圧変動が少なくなるためです。
しかし、デジタルアンプでは逆で、高出力(高電圧)な程性能が落ちてしまいます。正確に言うと、小さい音で聞く程、音質劣化が顕著に現れます。ビット落ちや、スイッチングノイズ(主にホワイトノイズとして現れます)の割合が増大するためです。
また、電源変動に弱いため、同じ容量であれば、高電圧・低電流より、低電圧・高電流な電源の方が良い結果が得られます。
なので、市販のハイエンドなフルデジタルアンプでは、出力を落とす代わりに良い音になるようなモードが備わっている事がよくあるのをご存知でしょうか。
あのTAS5508も、PSVC(Power-supply volume control)なる機能を持っています。
今回の要望では大出力なんぞ不要です。夜中でも静かに良い音で聞きたいだけなのです。
という事で、見栄を張らずに最大出力を 7W に抑えて、電圧を低く設定しつつ、必要十二分な電源容量を確保するようにしました。
さらに、高性能な安定化電源回路を設けて、どこまでも低ノイズでクリアな音質?を狙っています。
ところで、7Wってどんなもんでしょうか。少なすぎでしょうか?
実際部屋で聞いてみると・・・いやいや、かなりの大音量です。苦情が来ます。これで十分ですね。
TAS5760L の供給電圧 vs 最大出力
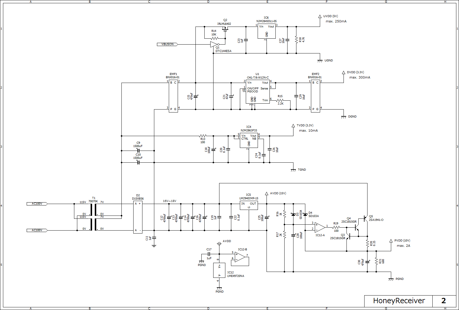
★電源はどうするか
限られたスペースで電源を大容量化するために、スイッチング電源も検討しました。実験がてらその試作もしてみました。必要なパーツは、通販で入手可能なので意外と簡単です。
しかし、狭いケースの内部にスイッチング電源を載せるのは、やはりノイズの影響が無視できないという結論に至りました。
アナログアンプでは、可聴域に近いノイズの影響が大きいですが、デジタルアンプでは、数十KHz~数MHz レベルのノイズの影響も受けます。最悪、内部のPLLがロッキング不良を起こし、音が途切れる事さえあります。そこまで行かなくとも、ジッターが増大する原因ともなります。
という訳で、前作同様、トロイダルトランスを使用する事にしました。
また、AC入力部にに 36mH のコモンモードチョークを使用したラインフィルタを設けて万全を期しています。
★高性能な安定化電源回路
電源変動に強いとされる ClosedLoop な TAS5760 と言えども、高性能を目指す以上は甘える訳にはいきません。電源変動に伴い余計な変調がかかる可能性があり、特に高音域で音が汚れる原因にもなるためです。
今作ではレギュレータは使用せず、オペアンプとトランジスタで組みました。
汎用ではなく、高性能を売りにするレギュレータもいくつか入手は可能ですが、色々試した結果、自分で回路を組んだ方がそれらよりも高い性能を得られたためです。(検証結果はこちら)
※ここで言う性能とは、リップル除去率・過渡応答性・残留ノイズに限ったものとします。
回路的には、バッファ付きのボルテージフォロアのようなものとなっています。
残留ノイズを抑制するため、分圧&フィルタの電圧を基準電圧にします。ツェナー電圧やシャントレギュレータは使用しません。
IC5は、オペアンプの電源と基準電圧源となります。これの性能は良いに越した事はないのですが、基準電圧フィルタの時定数を大きくすれば、全体としての性能にはさほど影響しません。
その代わり、オペアンプには高性能なものを選びます。そして、出来る限り高い性能を発揮する動作点で使用します。
本作では、LME49720 を使用しました。他のオペアンプを使用する場合は、一応発振には注意した方が良いでしょう。
さらに、TAS5760L に出来る限り近い距離に、小容量のパスコン(薄膜高分子積層コンデンサ)に加えて、超低ESRの高分子ポリマーチップタンタル(330μF)を配置しています。価格は、アンプIC本体より高価(¥1000位)ですが、ココは大きなポイントなので妥協しません。
本作では、LME49720 を使用しました。他のオペアンプを使用する場合は、一応発振には注意した方が良いでしょう。
さらに、TAS5760L に出来る限り近い距離に、小容量のパスコン(薄膜高分子積層コンデンサ)に加えて、超低ESRの高分子ポリマーチップタンタル(330μF)を配置しています。価格は、アンプIC本体より高価(¥1000位)ですが、ココは大きなポイントなので妥協しません。
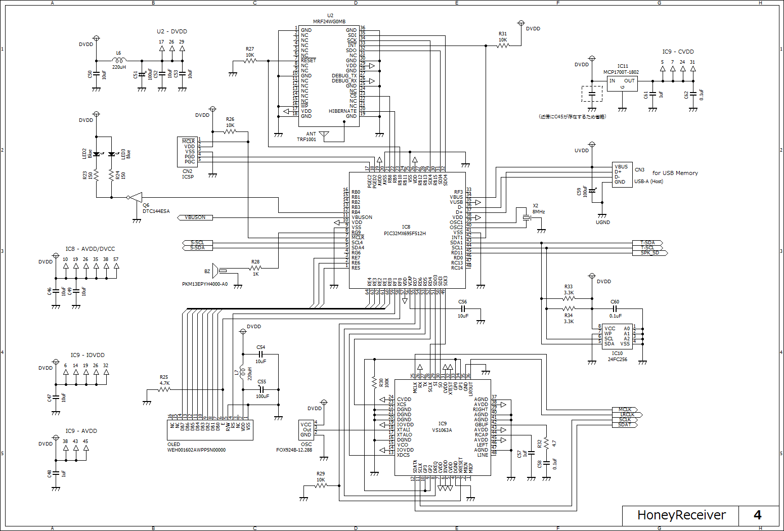
★アンプの回路
TAS5760 はデータシート通りというか、、シンプルなので特に説明は不要でしょう。
尚、スピーカーのインピーダンスに対する、推奨される出力フィルタの定数は下記の通りです。
・4Ω : 10uH + 0.68uF
・6Ω : 15uH + 0.68uF
・8Ω : 22uH + 0.68uF (本作の回路)
★その他
前作のフルデジタルアンプの回路をベースに、定数の見直し等、細かい点も改良しました。MRF24WG0MB や、VS1063a 周辺も、ほぼデータシート通りの回路です。
後、PIC等を接続するメインのデジタル電源(3.3V DVDD)は、想定MAX 0.3A 程度必要なのですが、これをリニアレギュレータで得ようとすると、トランスの中点を利用したとしても、1.5W程度の熱がロスとして放出されてしまいます。
これは結構な熱量なので、秋月で扱われている超高効率DC-DCコンバータ(OKL-T/6-W12N-C)を利用して無駄なく3.3Vを得る事にしました。非常に小型ながら 6A も取り出せる優れものです。
ただ、DC-DCコンバータなので、やはりノイズには要注意です。
デジタル回路から発生するノイズを遮断する目的も含めて、入出力にエミフィルを配置しました。
デジタル回路から発生するノイズを遮断する目的も含めて、入出力にエミフィルを配置しました。
隊長
カテゴリー
PR
