30年ぶりに復活した隊長の電子工作指令本部
×
[PR]上記の広告は3ヶ月以上新規記事投稿のないブログに表示されています。新しい記事を書く事で広告が消えます。
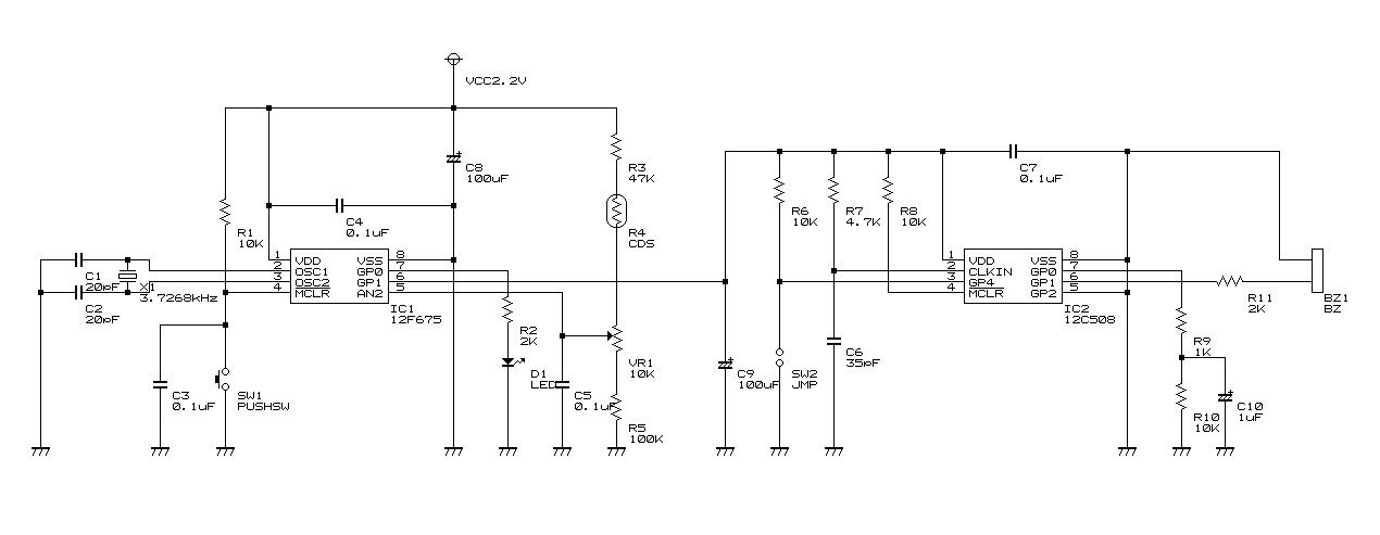
キットの電源端子へ、PIC12F675のIO出力を直結してみます。
小型化するために、電子小鳥をもう1セット購入して、ユニバーサル基板上に
付加回路と一緒に実装しました。
ソフトの動きとしては、
1) 明るさに応じて、長い周期で電源を制御します。
2) 明るさの変化具合から、就寝を検出した時は、完全に電源OFFします。
3) 朝を検出した場合は、しばらく経ってから 1 へ戻ります。
また、設定モードや、元気、弱気と、3種類のモードを設けています。
リセットにより再起動するたびに、EEPROMへ記録してある、カレントモード
変数値をインクリメントし、剰余を求めて上書きします。
LEDの点滅具合を見ながら、操作します。
当初は、電源OFFしている間、PIC12F675をSLEEPモードに移行させようと
思っていましたが、簡単な構成ではウェイクアップする方法が無い事が判った
ため諦めました。
まぁ、これでも半年位は電池交換しなくても良さそうです。
隊長
カテゴリー
PR
