[PR]上記の広告は3ヶ月以上新規記事投稿のないブログに表示されています。新しい記事を書く事で広告が消えます。
ブロック図とポート割り当て表
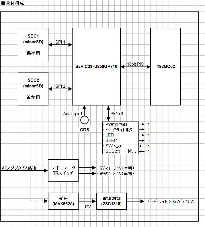
2つのmicroSDを、PICの持つ2つのSPIモジュールへ接続します。
フォトフレームなので、LCDとの通信は、速度より画質を優先し18ビットパラレル駆動
にしています。dsPIC33Fは16ビットPICなので、1ワードに加え、2本のI/Oピンを
制御して18ビットカラーイメージを転送します。
基本的に電源入れっぱなしで使い、いちいち操作したくないので、なるべく低消費電力にし
夜は勝手に消えるようにします。
その為に、CDSをADコンバーターへ接続し、電源を2系統設けて、片方をON/OFF出来る
ようにしました。
電源は、レギュレターでDC5Vを3.3Vに降圧し、トランジスタでスイッチします。
出力は、飽和電圧を考慮し3.1Vとします。
両系統で電圧が異なると面倒くさいので、両方ともトランジスタを経由させます。
この電圧を、microSD、LCD、PIC へ供給します。
また、192GC02のバックライト用に、7.15V 30mAが必要ですので、MAX662Aで12Vへ
昇圧した後、2SC1815で30mA電流制御を行います。
バックライトLEDは、同じ7.15Vでも、モノにより必要電圧にばらつきがあり、必ずしも30mA
流れるとは限らないので、電流を制御します。
この差分は、約150mW((12V - 7.15V) * 30mA)で、2SC1815の損失として熱に
代わります。
この部分はエコとは言えないですが、回路を簡単にしたかったのと、MAX662Aを使って
みたかったので、この構成にしました。
尚、バックライトのON/OFF制御は、MAX662AのSHDNピンを利用します。
全体の消費電流ですが、
192GC02のロジック部で2mA未満、microSDカードはピーク時100mA強
dsPIC33FJ256GP710は、ピーク時約70mAなので、最大400mAとします。
