30年ぶりに復活した隊長の電子工作指令本部
×
[PR]上記の広告は3ヶ月以上新規記事投稿のないブログに表示されています。新しい記事を書く事で広告が消えます。
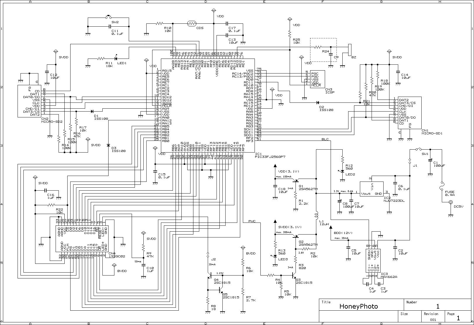
特に変わった所は無いと思いますが、、
VDDは常時供給の3.1Vで、SVDDは、節電時に電断される3.1Vです。
常時通電するのはPIC関連のみで、他の、SDC(microSC)と、LCD関連は節電対象と
しています。
SDCとLCDの、チップセレクタラインCSに挿入しているダイオードD1,D2,D3 は、
その電源が絶たれた時に、PIC側から電流が流れ込まないようにする保護の目的で
入れています。(但し、これらが無いと直ちに壊れるという訳ではないと思います)
他のアクティブHIである、LCDのRDとWRは、ソフトで電源をOFFにする直前に、ポートを
LOへ落としてから電源を切るようにします。
L1は、節電ラインのON/OFF及び、SDC2を挿入した時の電源ラインのディップを抑える
ために、これまた保険のように入れています。
PIC用の外付けクリスタルは使用しません。
このPICは、内部にPLL可能な高速CR発振器を持っている為、無くてもFOSC 約80MHz
で動作させる事が可能です。
これとは別に、WDTを駆動する32.768kHzの低電力CR発振器も内臓しており、つまり、
外部クロックが無くても、定期的にスリープモードから抜ける事も出来ます。
dsPIC33FのVDDCORE(pin85)は、VDDではなく内部レギュレータ用のデカップリング
コンデンサへ直接接続します。データシートでは、Typ 10uF となっています。
R9とC10は、時定数を持ったLCDのハードリセット回路です。
電源をONにした時は、リセットがかかるまで暫く待ちます。
LEDを3つ付けていますが、赤は100nA程度、青は500nA程度に抑えて表示させます。
最近のLEDは明るいので、この位が丁度良い(というかこれでも明るい?)位です。
尚、圧電ブザーのRCは必要ありません。PICに直結します。
隊長
カテゴリー
PR
