[PR]上記の広告は3ヶ月以上新規記事投稿のないブログに表示されています。新しい記事を書く事で広告が消えます。
回路図
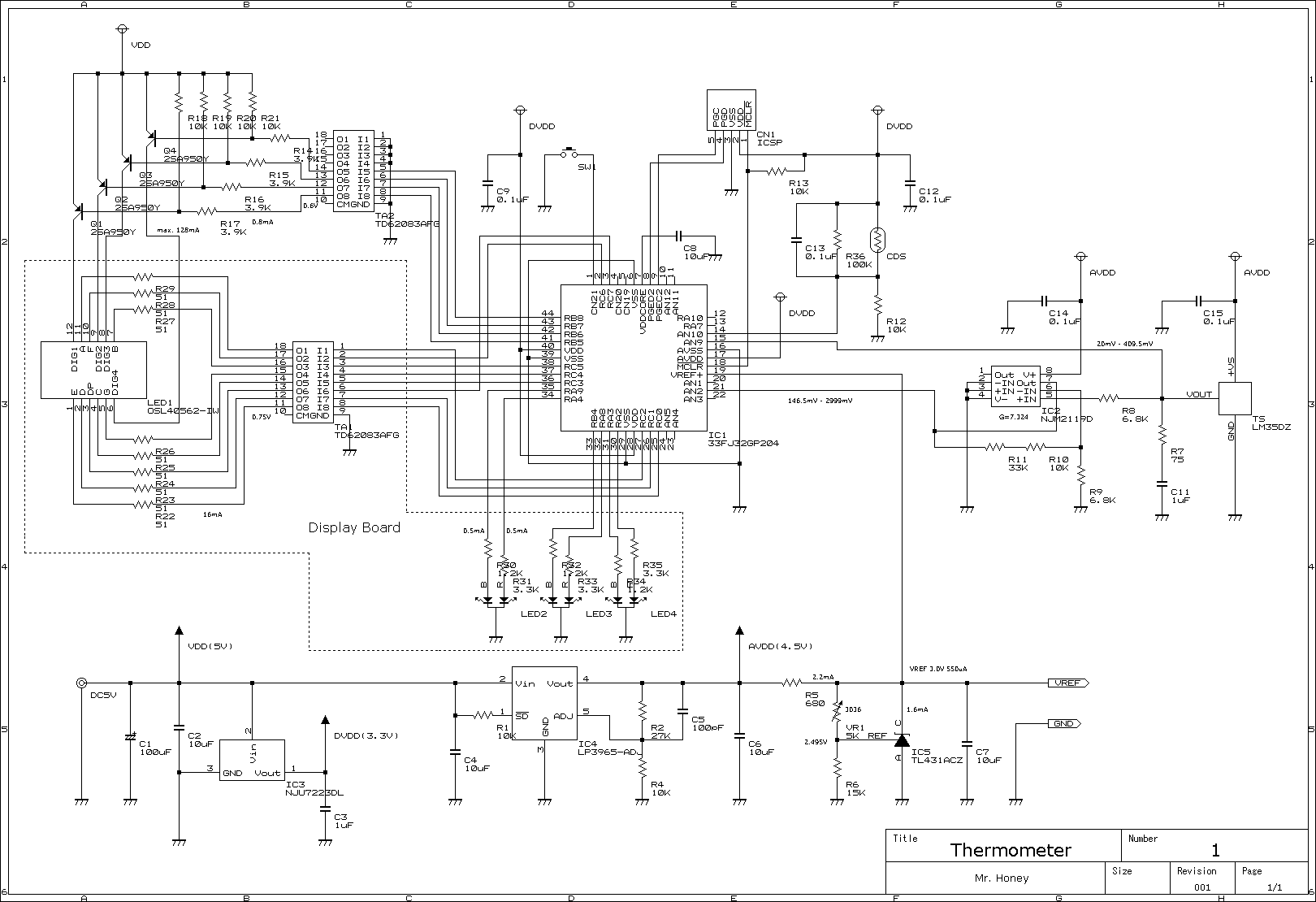
dsPIC33FJ32GP204周りは、後述のVREF回路と、外部フィルタコンデンサC8、
ICSPコネクタへの接続、それにパスコンのみです。
クロックは内臓のものを使うのでクリスタルは不要です。また、MCLRは使わない
ので10Kでプルアップしておきます。
空きピンは、ソフト側からアナログ入力にしておきます。出来ないピンは、変化通知
入力でプルアップ、それも出来ないピンは、デジタル出力でLO 出力とさせます。
温度センサーからの出力に接続している、C11とR7は、ノイズ低減用のダンパー
で、データシートに載っている情報そのままです。
その先のNJM2119Dでは、単純な非反転増幅を行っています。
R9,R10,R11 により、(43k+6.8K)/6.8K で、ゲインは 7.324倍になります。
ほぼ目的の7.326倍となるので、これはこれは運が良いです。
目的のVREFを再計算してみますと、VREF=409.5×7.333=2.999V となります。
これらの抵抗は、手持ちカーボンが大量にあるので、その中から近い値を選別して
用いる事にします。
TL431,VR1,R5,R6,C7は、Vout=(1+R1/R2)×2.495V の式により、3Vの
VREFを作っている部分です。
dsPIC33FJ32GP204のIREFは、max.550μAあれば事足りるので、想定無負荷時
のカソード電流Ikは2mAとしました。ちなみにTL431のIminは、max.0.7mAです。
ノイズ除去と安定化の為に、積セラのC7を設けていますが、容量はデータシートの
グラフから10μFにしました。この容量次第(0.1μFとか)では発振する可能性がある
ので要注意です。
VR1は、VREF調整用の半固定で、安物は避けるようにします。本作では多回転タイプ
を使用しました。あらかじめ、3036Ωとなるように調整してから取り付けます。
CDSは、暗くなると極端に抵抗値が高くなっていくので、並列にR36とC13を入れて
感度を下げるのと、暗い時のインピーダンスを下げて、AD変換の精度が落ちない様に
しています。
後、消費電流予測ですが、最大値で
・PIC:30mA(10MIPS)
・7セグLED:128mA(16mA×8)
・傾向表示:2mA(0.5mA×3)
・他:9mA(4mA+3mA+1mA+1mA)
・計:169mA
となります。
