[PR]上記の広告は3ヶ月以上新規記事投稿のないブログに表示されています。新しい記事を書く事で広告が消えます。
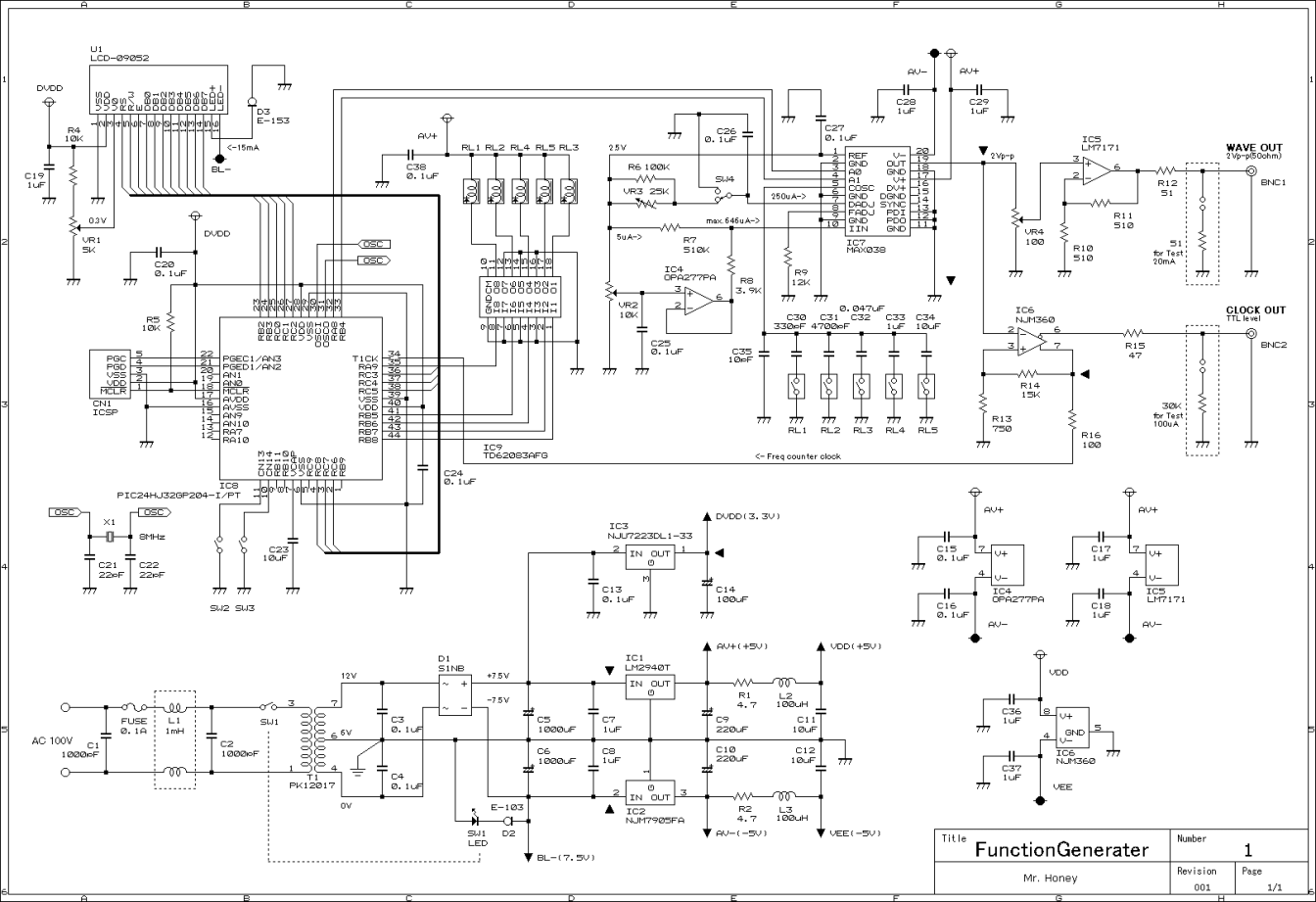
まず発信回路ですが、言うまでもなく殆どMAX038がやってくれます。
気を使った点といえば、データシートに記述されている注意点に注意した位でしょうか。。
	周波数レンジ切り換えのためのコンデンサは、結線を短くするためにリードリレーを使用して
	切り替えます。まぁここら辺りも簡単なゆえ、多くの作例と同様です。
	余り見ない使い方としては、MAX038のFADJ端子に12Kでグランドしている点です。
	データシートによれば、12Kでグランドする事で、周波数調整用のモジュールが切り離され、
	温度特性が向上するとの事です。普通にグランドに接続するだけでは、切り離しは行われ
	ません。
	また、これの副作用として発信周波数が2倍になると書かれています。つまり、同じ周波数を
	発信するにあたって、コンデンサの容量を2倍にする必要があるのですが、これは浮遊容量の
	影響を受けにくく出来るという事を意味します。
	
	IIN端子へは周波数を調整するための電流を流します。REF2.5Vをポテンションメーターで
	分圧して使用しますが、OPA277ボルテージフォロアを介してインピーダンスを低くし、安定性
	を高めています。
	電圧が最大(2.5V)の時は、(2.5V÷R8)がIIN流入電流となります。
	電圧が最小(0V)の時は、(2.5V÷R7)がIIN流入電流となります。
	周波数は、Fo(MHz) = IIN(μA) ÷ CF(pF) で求まります。
	データシートに記載されていますが、SYNC出力を使うと出力にノイズが乗るようです。
	これは、内部の高速コンパレータの影響で、対策しても取りきれないので、いやなら使わない
	ようにという趣旨の事も書かれています。
	本作では、デジタルクロック出力を行いたいので、自前で高速コンパレータNJM360を使って
	この出力を得るようにし、SYNC出力は使用しないようにしました。
	ただ、高速コンパレーターとはいっても、立ち上がり20nsなので数十MHzオーダーが限界です。
	他に入手が容易な高速コンパレータが無かったのでこれを使いました。
	このコンパレータはファンアウト4のTTL出力です。0.1Vの立上がり側ヒステリシスを設定して
	使っています。直列に入れてある47Ωは、保護を兼ねるダンピング抵抗です。
	出力が2つあるので、反転する方を周波数カウンタ用のクロックとして利用しました。
	
	アナログの出力バッファは、キットに入っていたLM1717をそのまま使いました。
	帰還抵抗の値は510Ωにしています。LM1717のデータシートによれば、510Ωで最適になる
	ように設計されているとの事です。
	秋月のキットでは、270Ωになっていますが、これは昔のオペアンプ用の値か、MAXIMの評価
	キットの値をそのまま真似ただけだと思われます。
	
	両出力の破線で囲ってある抵抗は、出力波形を計測する時に接続するダミーロードです。
	不要なら実装しなくても良いでしょう。
	
	次に、周波数カウンタですが、PIC24H(8MHz駆動)を用いています。これは、XTALの手持ち
	の関係で8MHzなだけです。1MHzでも、16MHzでも動作します。
	(但し、ソフト側の設定をちょっとだけ変更する必要があります)
	T1CKピンを通してTimer1にクロックを入力し、カウントさせます。
	当初、T2CKを使って32Bitタイマーでカウントさせようとしていたのですが、このPICではこれを
	同期モードでしか動作させる事が出来ない事に後から気づき、パターンカット等の改造を余儀
	なくさせられました。
	(現在公開している回路図やパターンは修正してあります)
	非同期モードでカウントしないと、どうしても値にズレが生じてしまうので、このような用途では
	注意が必要です。
	
	表示用のLCDは、コントラスト調整用のVRを付けているだけで、特に周辺回路は必要ありません。
	リセットも内臓しているので必要ありません。
	尚、LCDのRW端子ですが、PICと接続はしたものの、結局ソフト側からは使いませんでした。
	(Writeだけしかしてないです)
	
	最後に電源回路です。
	AC100側に、ノイズ除去用の高圧コンデンサとコイルを設けています。まぁ、無いからといって、
	ノイズだらけになるという訳ではないとは思います。
	ケースとの接続ポイントは、トランスの中点端子付近で一箇所です。ここからコモンモードノイズ
	を逃がします。
	DC側はレギュレータを使っているだけですので、特に説明不要でしょう。
	2つのコイルは、コンパレータ側からノイズが伝播するのを防ぎます。
	尚、LEDを負電源に接続しているのは、正電源側との消費電流のバランスを取るためです。
	
	ポート割当て  
消費電流
	