[PR]上記の広告は3ヶ月以上新規記事投稿のないブログに表示されています。新しい記事を書く事で広告が消えます。
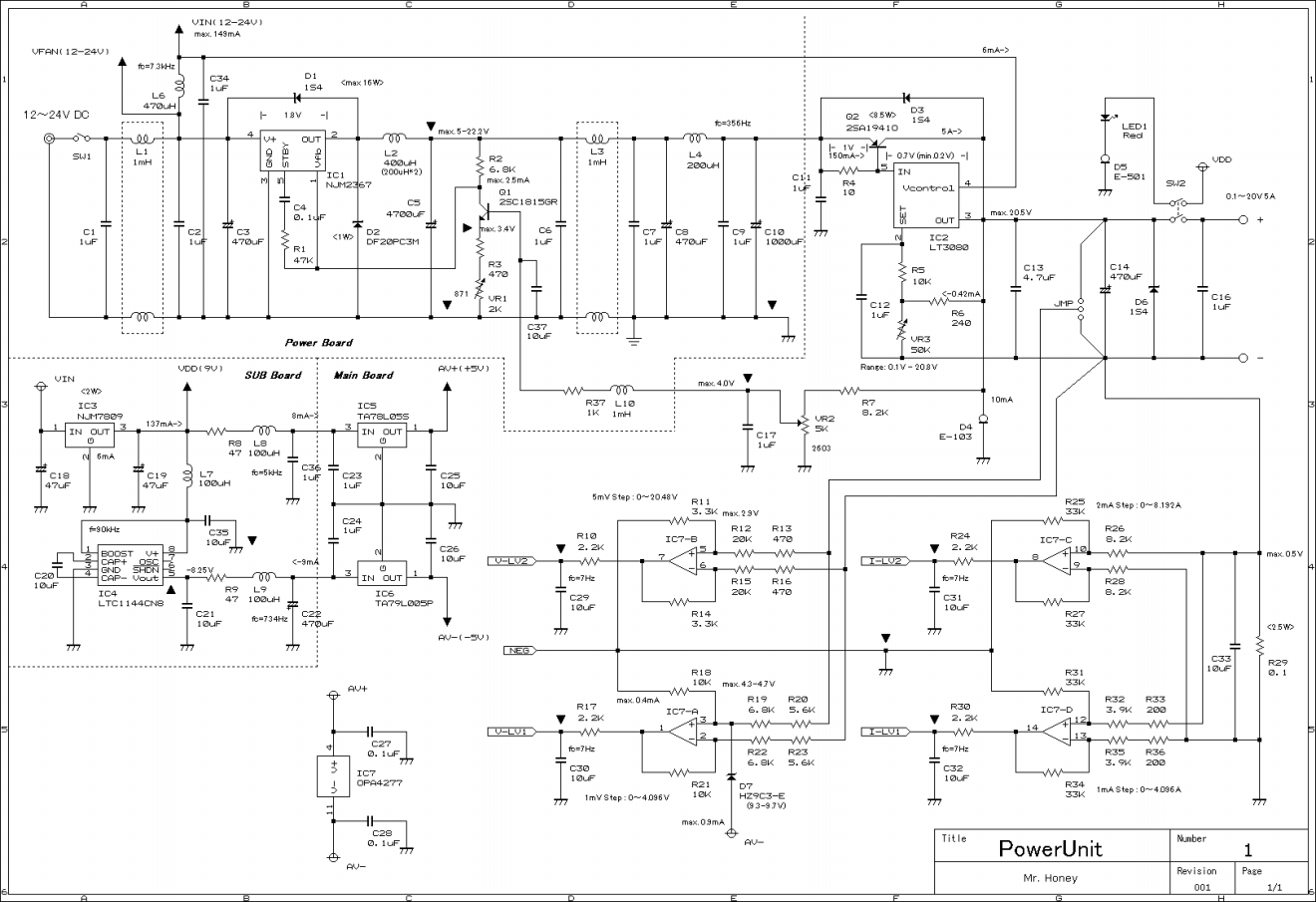
NJM2367 の出力電圧の調整は、LT3080 出力後の電圧を単純にフィードバックするようにし
ています。ただこの方法は、フィードバックラインが1本で済むという以外に、余りメリットはあり
ません。動作検証の所で波形を載せておきますが、過大な負荷変動により、LT3080 の入力
側の電圧が出力電圧よりも下がるような事があると、その影響を受けてしまいます。
また、本作ではフィードバック電圧には電流測定用抵抗による電圧降下も含まれます。さらに、
コモンモードノイズ用コイルの両端電圧も含まれるので、フィルタ回路が必要になります。
改善策は色々考えられますが、ここは単純に二連ボリュームを使う方が良いのではないかと
思います(後の祭り)
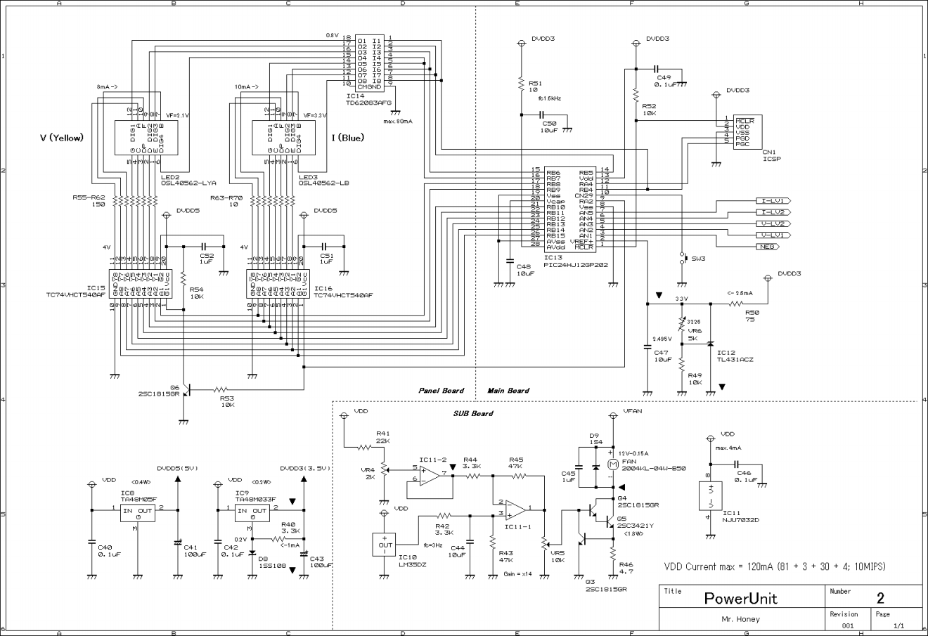
電流測定は、0.1Ωの測定用抵抗(R29)の両端電圧を差動回路で増幅してADコンバーターへ
入力します。一方はGNDですが、ノイズ成分を拾わないように、なるべく短距離で抵抗に接続
します。
電圧測定も同様に、出力端子間の電圧を差動回路で検出するようにしています。従って、電流
測定用抵抗の電圧降下の影響を受けないようになっています。(JMPは実験用で、実際不要)
さらに、ADコンバーター側の入力も差動入力に設定し、差動回路で基準にしているGND電位
を入力してやる事で、ノイズ耐性を向上させています。
電圧電流それぞれ二つのレンジを用意しているので、ソフト側で計測結果を選択します。
ADコンバーターは12Bitモードで使用するので、各レンジは最大4000カウントとします。
D7は、オペアンプの絶対定格を超えないようにするための保護です。他の3つは、定格を超え
る事はないので、ここの一つだけ必要です。
R10,R17,R24,R30は平滑用の抵抗ですが、オペアンプの出力はPICのVDDを超える場合が
あるため、PICアナログポートの保護としても働きます。
PICアナログポートは、内部でVDD端子へのダイオード接続による入力保護回路が備わって
いますが、大きな電流が流れるとこのダイオードが破損してしまうので、電流を制限します。
データシードでは、入力インピーダンスは200Ω以下が推奨されていますが、本作の場合は
C29,C30,C31,C32があるので、気にする必要はないでしょう。
オペアンプは、高精度の OPA4277 を使用しますが、±電源が必要なので LTC1144CN8
を使って負電源を作っています。
PICは、3.3Vではなく、3.5Vで駆動しています。
理由は、PICのVREF及びアナログ入力において、基本3.3Vで設計したので、これにマージン
を持たせるためです。(PICの関連仕様の多くが max.VDD となっている)
ファン制御は、設定温度(IC11-1 2pin)と、温度センサー入力(IC11-1 3pin)の差を増幅し、
トランジスタ(Q4,Q5)でドライブしています。ファンは12VDC(0.15A)の物を使用しますが、
入力電圧が最大24Vなので、12V以上にならないように制限するのがトランジスタ(Q3)です。
この回路は電流制限回路ですが、回路が簡単に出来るうえ、結果的に電圧制限になります。
7セグ表示は一般的なダイナミック表示回路です。PICのRA2から出ているラインは、電圧側と
電流側の表示を切り替えるための信号です。
尚、電圧と電流の接続が反転していますが、これは単にパターンの引き回しが楽になるので
そのようにしました。なので、7セグLEDの文字データは、両者で異なるデータになっています。
ポート割当表
