[PR]上記の広告は3ヶ月以上新規記事投稿のないブログに表示されています。新しい記事を書く事で広告が消えます。
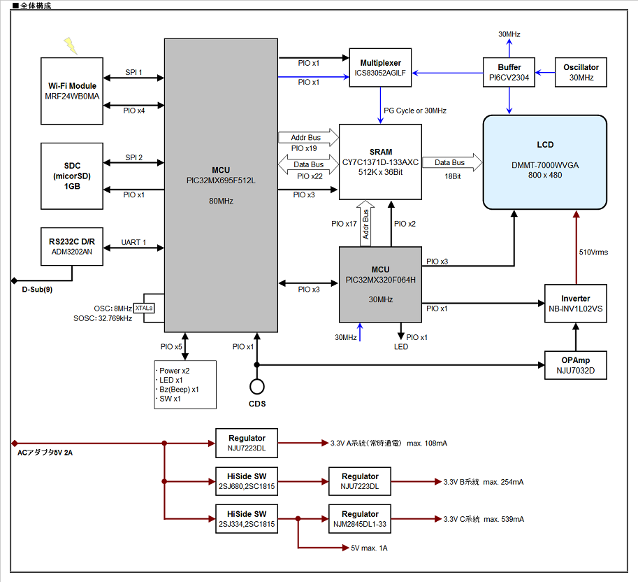
ブロック図
まず電源ですが、全部で4系統になっています。
本作は、電源入れっぱなしでの使用を想定しているので、各系統をPICからON/OFF出来る
ようにして、こまめな節電を心がけます。
今回は電源スイッチにトランジスタではなく、FETを使ってさらに省電力化を行いました。
PICは、PIC32MXを2つ使っています。
メイン側PICは、アクティブ時には80MHz駆動します。また、RTCCを使えるようにするために
32.768KHz XTALを接続します。
microSDは、設定ファイルや受信したファイル等を格納します。
また、本作くらいのソフト規模になるとデバッグログが欲しくなるので、UARTを使ってPCと
シリアル接続できるようにしました。
サブ側PICは、LCDの表示専用です。
グラフィック用RAMとして、最初はデュアルポートRAMを検討していたのですが、値段が高すぎ
たため、サイプレスの同期型SRAM、CY7C1371Dを使用する事にしました。
30MHzのオシレータからの出力を、クロックバッファを介して、PICとSRAMとLCDに分配供給
しています。つまり、これら3つのデバイスを同期して動作させて、リフレッシュ表示を実現して
います。
表示するデータは、ブランク期間の間にメイン側からSRAMにアクセスして書き込む訳ですが
同期型SRAMですので、制御と同期するクロックを供給してやる必要があります。このために
マルチプレクサを使用して、表示時には30MHzのクロックを、書き込み時にはメイン側PICの
IOポートで生成したクロックを、それぞれSRAMに供給するようにしました。
DMMT-7000WVGAのバックライトはCCFL(冷陰極管)で、別途高電圧電源を供給する必要
があります。図中のインバーター(NB-INV1L02VS)は、そのための高電圧発生モジュールの
ようなものです。
他には、電源ON/OFF制御と、バックライトの明るさを自動調整する為にCDSを使っています。
また、タクトスイッチや、LED、圧電サウンダといった基本アイテムも一通り接続しました。
