[PR]上記の広告は3ヶ月以上新規記事投稿のないブログに表示されています。新しい記事を書く事で広告が消えます。
回路は、基板ごとに分けました。
ピン接続の表現等、我流な部分もあり読みにくいかもしれませんがご容赦願います。
・以下の記載事項以外は、基本、データシートに載っている回路をそのまま利用しています。
・テストや実験の為の、不要なジャンパSWや、テストピンも記載しています。
・点線で囲ってある部分は、必ずしも必要ない部分です。
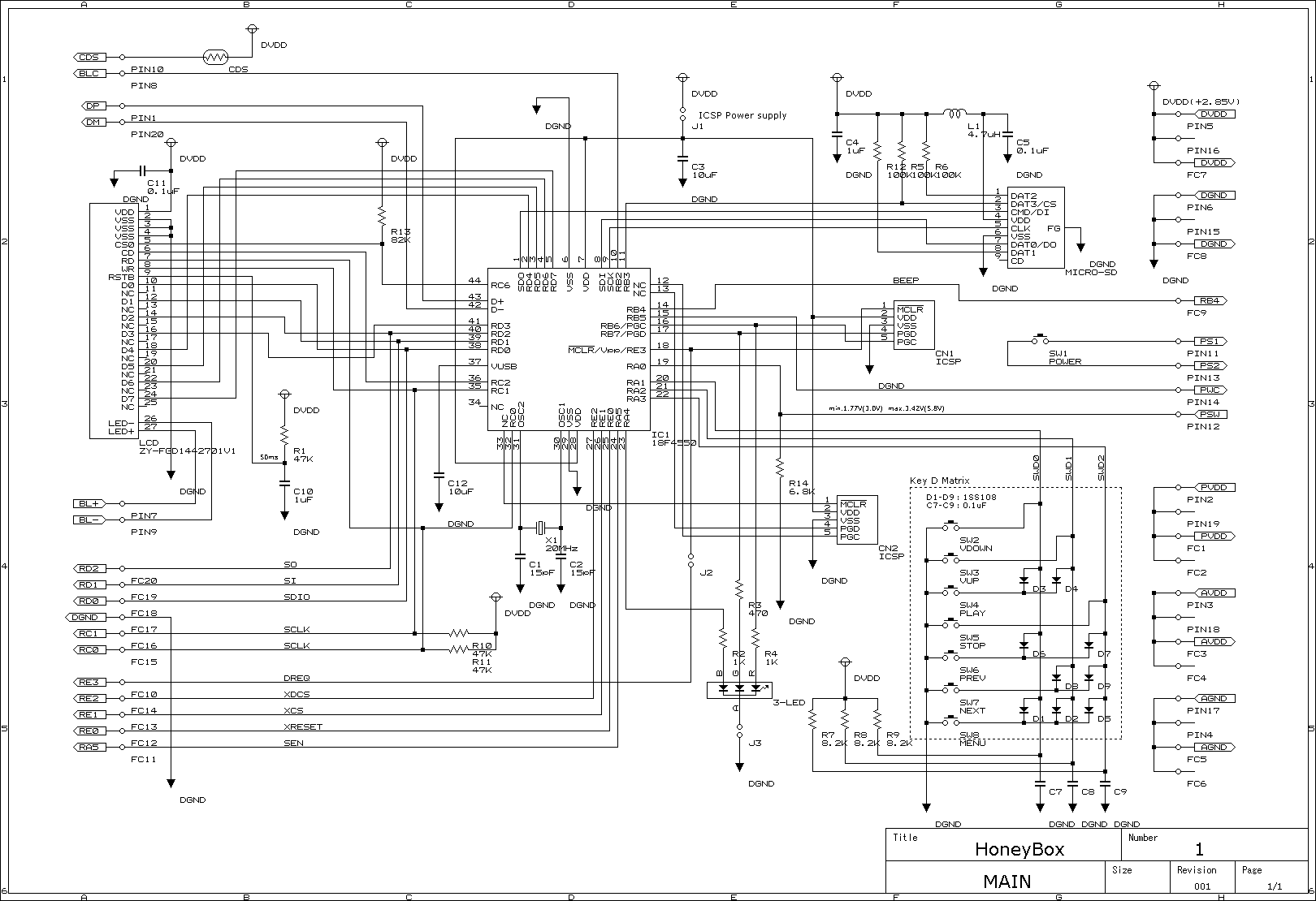
メイン基板
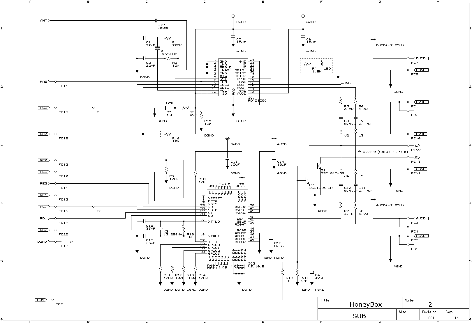
サブ基板
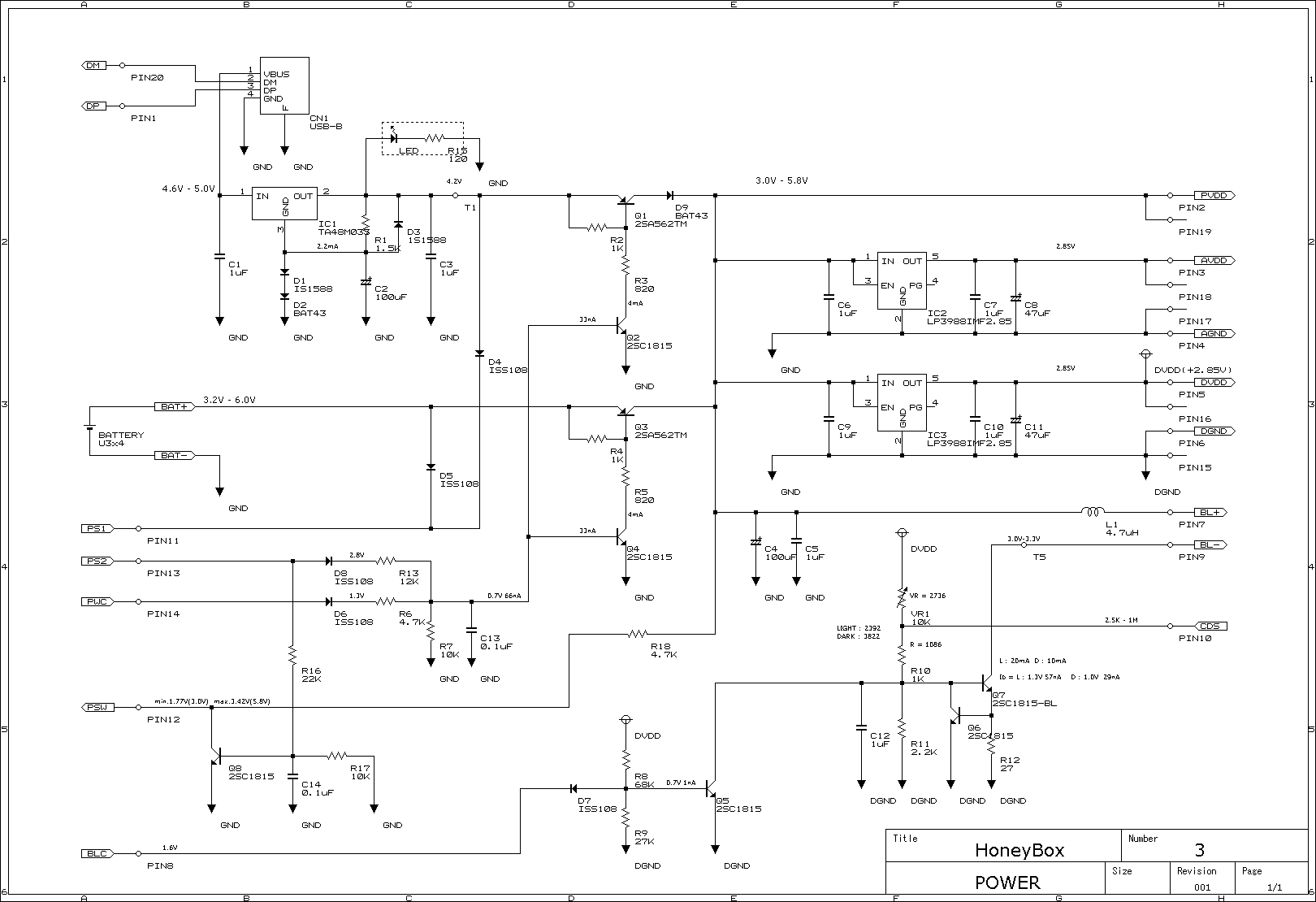
電源基板
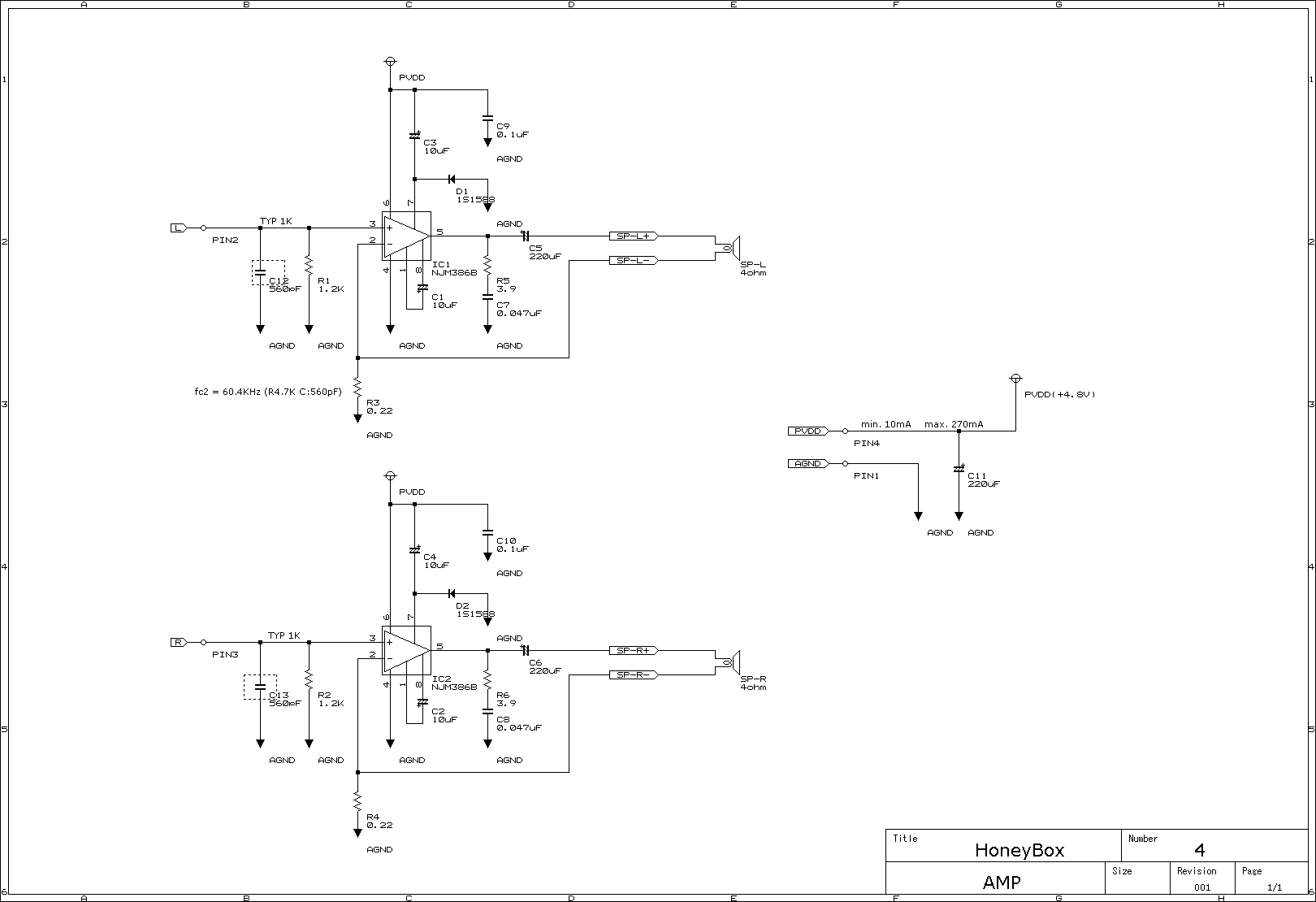
アンプ基板
メイン基板 R1, C10
ZY-FGD1442701V1のリセット回路です。ポートに余裕がない事もあり、RSTBはPICからは
制御せずH/Wでパワーアップリセット信号を生成しています。
電源投入後、十数ms経過した後、LOからHIへの立ち上がりが認識されます。
メイン基板 R13
ZY-FGD1442701V1のチップセレクトラインのプルアップです。
電源投入後、PIC側で初期化処理が完了するまでの間、確実にHIにしておくためのものです。
メイン基板 L1
SDカードへアクセスすると、かなりのノイズが発生するようです。
手持ちの関係から4.7uHのインダクタを使用しましたが10uH以上のものを使用した方が良いと
思われます。
メイン基板 D1~D9, R7~R9
ダイオードマトリクスでは、ショットキーバリアを用いましたが、漏れ電流により誤動作したため
当初使用していた47Kを、8.2Kへ変更しました。普通のスイッチングダイオードの方が良いかも
しれません。
サブ基板 R4, LED
ステレオインジケータとして直付けしました。高輝度タイプを使用します。
サブ基板 C3, R3, R15
RDA5800Cのリセット回路です。ポートに余裕がない事もあり、RSTはPICからは制御せず
H/Wでパワーアップリセット信号を生成しています。
電源投入後、十数ms経過した後、LOからHIへの立ち上がりが認識されます
本作では、RDA5800Cを、SPIモードで使用します。
RSTをHIにする時点で、SENをLOにしておく事で、SPIモードでの動作を指示します。
よって、この時点までSENを確実にLOにするために、R15でプルダウンしておきます。
後は、PIC側から所定のタイミングで、SENをHIにします。
サブ基板 Q1, Q2
当初は無かったのですが、急遽ビープ回路を変更し、トランジスタ接地式のミュート回路にしました。
本作では、VS1011eとRDA5800Cは、使用しない時には最小電力となるようにパワーダウン
させます。このON/OFFの時に、どうしてもパチッという不快なポップノイズが出ます。
このノイズは、チップ内のアナログモジュール自体から発生するもので、レジスタの設定等で
行うミュート制御では消す事は出来ません。
本当は、LM386のミューティング回路 でも示されているように、2SC2878を使ってみたかったの
ですが、手持ちの2SC1815GRを使って、まさに取って付けた回路で十分な効果を発揮しました。
本来はアナログスイッチを用いる方が良いのかもしれません。
サブ基板 R5~R8, C8~C11
VS1011eとRDA5800Cのアナログ出力をアンプへ接続します。
バイアスDCをカットすると共に、ゲインの調整と、ハイパスフィルターを形成して、低周波域がアンプ
へ出力されないようにします。 フィルタ計算ツール
低音を出せない小さいスピーカーに対し、そのまま低周波域を出力すると、コーンが無用に振動し
音が歪んでしまいます。ここは思い切って低域カットするのが肝要です。
電源基板 D1, D2
TA48M033は3.3Vの出力ですが、これを4.2V出力となるように底上げします。
電源基板 L1
手持ちがあったので、変にLCDコントローラからのノイズを拾わないように付けましたが、必ずしも
必要ないと思います。
電源基板 VR, R10, R11
CDSの感度調整で、バックライトの電流を制御します。
本作では、秋月電子で 4個入り¥100 で購入したCDSを使用していますが、モノによっては定数を
変更する必要があるかも知れません。
電源基板 R8, R9, Q5
バックライトのON/OFFを制御します。
電源投入直後に、ちらっと光るのが見えないように、初期からQ5がONになるように組み、バックライト
へ電流が流れないようにします。
後に、PIC側から所定のタイミングでポートをLOにすると、Q5がOFFになりバックライトが点灯します。
電源基板 D8, R13, D6, Q2, Q4
電源SWを押すと、2SA562TMをONして、電源の供給を行います。
PIC側では起動後、ポートをHIにして、電源SWを離してもONのままでいられるようにラッチします。
ポートをLOにすれば、電源をOFF出来ます。この仕組みは、組み込みでよく使われる手法です。
電源基板 R16, R18, Q8
電源SWの押下を検出するポート(RA0/AN0)は、普段はレギュレート前の電圧を分圧した電圧で
プルアップしておきます。押されると、Q8をONしてLOにさせるわけですが、PIC側ではデジタル
入力でこれを検出します。
また、このポートを時々アナログ入力に切り替えて電源電圧計測を行い、バッテリー残量予測を
行います。
アンプ基板 R1, R2
VS1011e、RDA5800C の出力は、共にヘッドホンを駆動できる能力があります。
電源電圧が低い事もあり、インピーダンスを低く設定してノイズが乗りにくいようにするために
低めの1Kとしています。
アンプ基板 C12,C13
本作では、やや発振気味だったので付けました。 フィルタ計算ツール
アンプ基板 R3, R4, C1, C2
NJM366BDを電流帰還型アンプとした場合のゲインを決定します。
本作では、約18倍(25dB)に設定しています。もっと低くして特性を改善したいところですが、
発振しそうです。
0.22Ω(金皮)は、マルツパーツ館で¥21 で購入しました。
